🌊 Oil Pressure Unit (OPU)_Hydro Power Plants: Functions, Components & Importance

The Oil Pressure Unit (OPU)—also referred to as the Oil Pressure System (OPS)—is a vital auxiliary system in modern hydro power plants. It plays a crucial role in powering hydraulic mechanisms that control key components such as turbines, valves, gates, and brakes. Given the immense water pressure and flow involved in hydroelectric generation, hydraulic oil pressure offers unmatched precision, responsiveness, and reliability compared to purely electrical systems.

đź”§ What Is the Function of an Oil Pressure Unit in Hydro power?

The OPU serves as the hydraulic power source for various control and safety systems in a hydro power plant. Its core functions include:

  • Generating and maintaining high-pressure hydraulic oil, typically ranging from 100 to 200 bar depending on plant specifications.
  • Supplying hydraulic energy to actuate large components like main inlet valves (MIVs), guide vanes, nozzles, brakes, and shaft jacks.
  • Enhancing operational safety and reliability by enabling smooth and controlled movement of critical parts under extreme pressure.

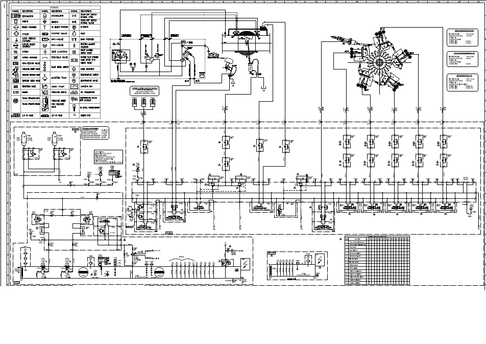
đź§© Key Components of an Oil Pressure Unit (OPU)

A well-engineered Oil Pressure Unit in a hydropower plant comprises multiple hydraulic components working in harmony to deliver consistent and reliable performance. These elements ensure that the system can handle high-pressure demands while maintaining safety and precision.

ComponentFunction
Hydraulic PumpsMotor-driven and standby pumps for continuous and backup oil pressure.
AccumulatorsStore pressurized oil for emergency operations and pressure stabilization.
FiltersMaintain oil purity and prevent damage to hydraulic components.
Pressure Relief ValvesProtect the system from over pressure conditions.
Pipeline NetworkDistributes hydraulic oil to various actuators across the plant.
Proportional ValvesRegulate flow and pressure with precision based on electrical input signals.
Direction Control ValvesManage the path of hydraulic fluid to control actuator movement.
Manifold ValvesIntegrate multiple valve functions into a compact unit for efficient control.
Non-Return ValvesAllow fluid flow in one direction only, preventing backflow.
Logic ElementsPerform control functions like sequencing and pressure regulation.

These components collectively empower the OPU to deliver high-force hydraulic actuation with precision, safety, and redundancy—making it indispensable for modern hydropower operations.

⚙️ Applications of Oil Pressure Unit in Hydro power Plants

1. Main Inlet Valve (MIV)

The Main Inlet Valve—either butterfly or spherical type—regulates water flow from the penstock into the turbine. The OPU enables:

  • Smooth valve operation under high water pressure.
  • Activation of sealing systems to prevent leakage.
  • Emergency closure during faults, load rejection, or grid failure.

2. Guide Vanes

Guide vanes control the volume and direction of water entering the turbine runner. Powered by hydraulic servomotors, the OPU ensures:

  • Precise turbine speed and load regulation.
  • Rapid response to changing power demands.
  • Emergency shutdown capability for safety.

3. Nozzles in Pelton Turbines

In Pelton turbines, water jets strike buckets to generate rotation. The OPU powers nozzle servomotors to:

  • Adjust jet flow for optimal speed and load control.
  • Deflect jets instantly during load rejection to prevent over speed.

4. Hydraulic Braking System

After shutdown, turbine runners continue spinning due to inertia. The OPU-driven brake system:

  • Applies hydraulic pressure to brake pads for safe stoppage.
  • Reduces cooling time before maintenance.
  • Prevents reverse rotation caused by draft tube pressure.

5. Shaft Jacking System

Heavy turbine-generator shafts require hydraulic jacking before startup. The OPU lifts the shaft slightly on an oil film to:

  • Minimize bearing friction during startup and shutdown.
  • Reduce wear and extend bearing life.
  • Improve overall mechanical efficiency.

âś… Why the Oil Pressure Unit Is Essential for Hydro power Efficiency

The Oil Pressure Unit is indispensable for the safe and efficient operation of hydro power plants. It supports:

  • Main Inlet Valve (MIV): Controlled water entry
  • Guide Vanes: Accurate turbine regulation
  • Pelton Nozzles: Jet flow control
  • Brakes: Safe turbine stoppage
  • Shaft Jacks: Bearing protection and smooth startup

Without the OPU, hydro power plants would struggle to meet modern standards of automation, safety, and performance. Its role in hydraulic actuation makes it a cornerstone of reliable renewable energy generation.

Leave a Comment

Your email address will not be published. Required fields are marked *