
๐ก๏ธ 1. Equipment Protection
Hydro power machinery generates substantial heat during operation. Without proper cooling:
- Generators, turbines, and transformers risk overheating.
- Excess heat can lead to mechanical failure, downtime, and expensive repairs.
- Cooling water systems absorb and dissipate this heat, safeguarding equipment longevity.
โก 2. Maintains Operational Efficiency
- Overheated components operate below peak performance.
- Cooling ensures turbines and generators run under optimal thermal conditions.
- This maximizes electricity output and minimizes energy losses.
๐งฏ 3. Enhances Safety
- High temperatures can damage infrastructure and endanger personnel.
- A well-maintained cooling system helps maintain a safe working environment.
๐ 4. Ensures Reliability & Continuity
- Continuous cooling is critical for uninterrupted hydropower generation.
- Prevents unplanned shutdowns, malfunctions, and reduced output.
๐งฉ 5. Supports Auxiliary Systems
- Cooling water also serves heat exchangers, HVAC units, turbine bearings, and transformer oil coolers.
- This highlights its broad functional importance across plant operations.
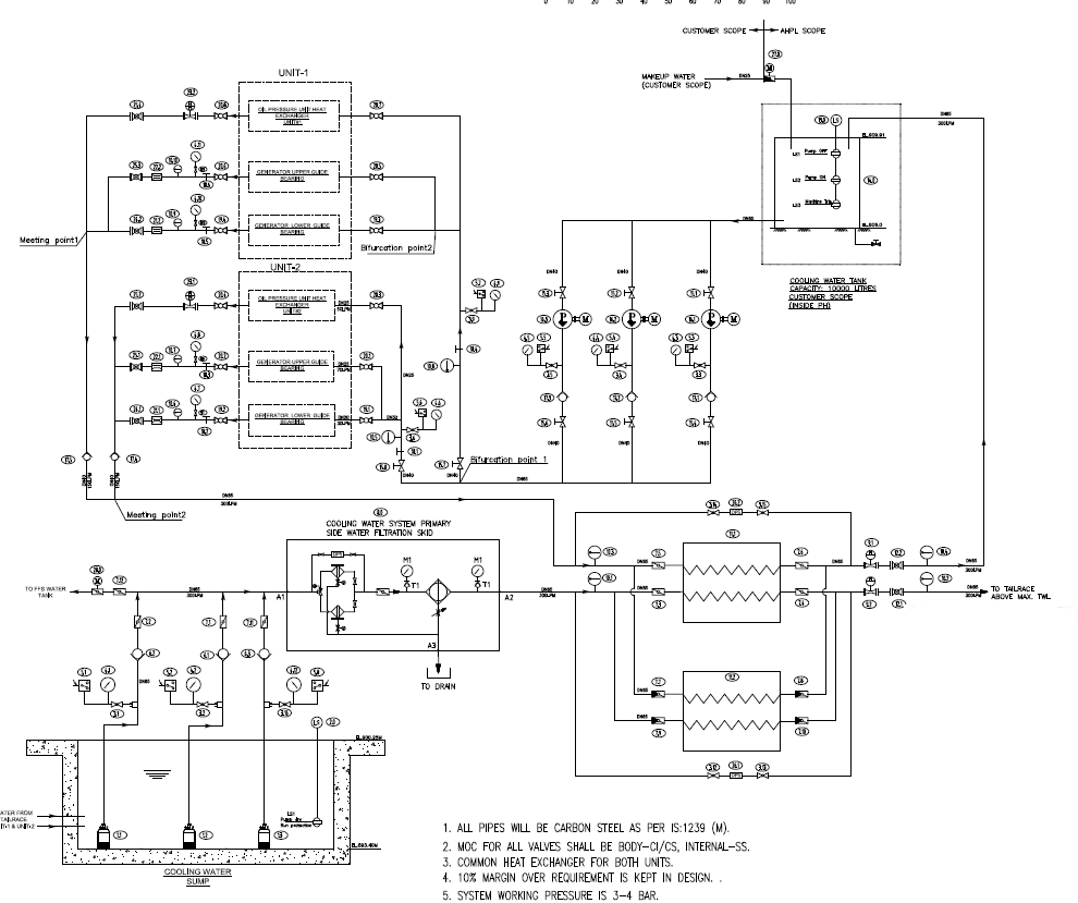
๐ Types of Cooling Water Systems in Hydro power Plants
Hydro power facilities typically use a two-stage cooling system to manage heat effectively:
๐ 1. Primary Cooling Water System
Function: Extracts raw cooling water from natural sources like rivers, reservoirs, or dam intakes.
Process:
- Water is filtered to remove debris and impurities.
- It flows through heat exchangers, absorbing heat from the secondary system.
Key Features:
- Utilizes untreated or minimally treated water.
- Operates in an open-loop configuration.
- Designed to handle large temperature fluctuations.
๐ 2. Secondary Cooling Water System
Function: Provides a closed-loop cooling circuit for sensitive and high-value equipment.
Process:
- Circulates demineralized or treated water through sealed piping.
- Transfers heat to the primary system via heat exchangers.
Key Features:
- Protects generator windings, bearings, transformers, and control systems.
- Ensures corrosion-free, clean, and stable cooling.
- Maintains consistent water quality for precision cooling.
โ Benefits of Dual Cooling Water Systems
| Benefit | Description |
|---|---|
| ๐งผ Improved Equipment Life | Minimizes corrosion, scaling, and contamination. |
| โ๏ธ Energy Efficiency | Maintains consistent cooling under varying loads. |
| ๐ง Maintenance Flexibility | Allows servicing of one system without disrupting the other. |
| ๐ฑ Environmental Protection | Reduces exposure of sensitive systems to raw water impurities. |
๐ Conclusion
A robust cooling water system is indispensable for the efficiency, safety, and longevity of hydro power plants. By integrating primary and secondary cooling loops, facilities can ensure optimal thermal regulation, reduce operational risks, and support sustainable energy production.
